Завантаження...
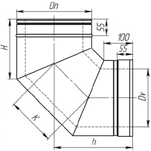
Застосовується для з'єднання ліній від патрубка котла до основного димоходу та в каналах вентиляції.
Для виробництва коліна використовується високоякісна нержавіюча сталь. При виготовленні комплектуючих деталей застосовується плазмове зварювання у середовищі інертного газу (аргон).
![]() |
| Dv (мм) | Dn (мм) | h (мм) | К (мм) | Н (мм) | Маса (кг) |
| 100 | 160 | 222 | 126 | 166 | 2,32 |
| 110 | 180 | 232 | 135 | 175 | 2,89 |
| 115 | 180 | 232 | 135 | 175 | 2,85 |
| 120 | 180 | 232 | 135 | 175 | 2,80 |
| 125 | 200 | 242 | 143 | 183 | 3,38 |
| 130 | 200 | 242 | 143 | 183 | 3,43 |
| 135 | 200 | 242 | 143 | 183 | 3,38 |
| 140 | 200 | 242 | 143 | 183 | 3,31 |
| 150 | 220 | 252 | 151 | 191 | 4,01 |
| 160 | 220 | 252 | 151 | 191 | 3,86 |
| 180 | 250 | 267 | 164 | 204 | 4,94 |
| 200 | 260 | 272 | 168 | 208 | 5,04 |
| 220 | 280 | 282 | 176 | 216 | 5,69 |
| 230 | 300 | 292 | 184 | 224 | 6,67 |
| 250 | 320 | 302 | 193 | 233 | 7,42 |
| 300 | 360 | 322 | 209 | 249 | 9,11 |
| 350 | 420 | 352 | 234 | 274 | 11,69 |
| 400 | 460 | 372 | 251 | 291 | 12,91 |
| 450 | 520 | 402 | 275 | 315 | 16,83 |
| 500 | 560 | 422 | 292 | 332 | 18,04 |
| 550 | 620 | 452 | 317 | 357 | 22,83 |
| 600 | 660 | 472 | 333 | 373 | 23,98 |
| 650 | 720 | 502 | 358 | 398 | 32,52 |
| 700 | 760 | 522 | 375 | 415 | 33,89 |
| 750 | 820 | 552 | 400 | 440 | 41,00 |
| 800 | 860 | 572 | 416 | 456 | 42,22 |
| 900 | 960 | 622 | 458 | 498 | 51,44 |
| 1000 | 1060 | 672 | 499 | 539 | 61,55 |