Завантаження...

Підставка настінна нержавіюча Україна

від 805 грн./шт.
podstavka.jpg

Застосовується як опора вертикальної частини димаря для перерозподілу маси димоходу на несучі конструкції.

Для виробництва настінної підставки використається високоякісна нержавіюча сталь. При виготовленні комплектуючих деталей застосовується плазмове зварювання серед інертного газу (аргон).

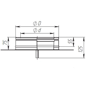
Параметри підставки настінної
Значення параметрів d, D, A
d (мм)D (мм)А (мм)Маса (кг)
1001603402,58
1101803602,83
1151803602,83
1201803602,86
1252003803,12
1302003803,12
1352003803,11
1402003803,13
1502204003,14
1602204003,44
1802504303,85
2002604403,99
2202804604,28
2303004804,62
2503205004,96
3003605405,56
3504206006,52
4004606407,12
4505207008,15
5005607408,78
5506208009,98
60066084011,50
65072090020,06
70076094021,48
750820100023,82
800860104025,46
900960114029,07
10001060124029,35
1340_logo1.png

Версія-люкс Україна

Системи вентиляції та димарі призначені для відведення димових газів, що утворюються в результаті роботи плит, печей, котлів та ін. Технологія, за якою виробляються димарі та системи вентиляції, залежить від умов їх експлуатації.Оскільки від характеристик матеріалів, що використовуються безпосередньо залежить ефективність і безпека роботи котлів, м...