Завантаження...

Підставка підлогова нержавіюча Україна

від 805 грн./шт.
podstavka.jpg

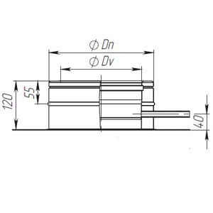
Застосовується як опора вертикальної частини димаря для перерозподілу маси димоходу на основу.

Для виробництва підставки підлогової використовується високоякісна нержавіюча сталь. При виготовленні комплектуючих деталей застосовується плазмове зварювання серед інертного газу (аргон).

Параметри підставки для підлоги
Значення параметрів Dv, Dn, A
Dv (мм)Dn (мм)А (мм)Маса (кг)
1001603402,64
1101803602,89
1151803602,89
1201803602,91
1252003803,18
1302003803,17
1352003803,17
1402003803,19
1502204003,46
1602204003,49
1802504303,91
2002604404,04
2202804604,34
2303004804,68
2503205005,02
3003605405,61
3504206006,57
4004606407,18
4505207008,21
5005607408,84
55062080010,03
60066084011,50
65072090019,62
70076094021,01
750820100023,31
800860104024,92
900960114028,47
10001060124028,77
1340_logo1.png

Версія-люкс Україна

Системи вентиляції та димарі призначені для відведення димових газів, що утворюються в результаті роботи плит, печей, котлів та ін. Технологія, за якою виробляються димарі та системи вентиляції, залежить від умов їх експлуатації.Оскільки від характеристик матеріалів, що використовуються безпосередньо залежить ефективність і безпека роботи котлів, м...