Завантаження...
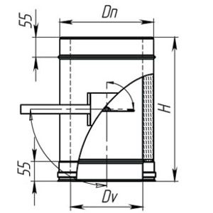
Застосовується як заслінка по ходу димових газів.
Для виробництва регулятора тяги використається високоякісна нержавіюча сталь. При виготовленні комплектуючих деталей застосовується плазмове зварювання у середовищі інертного газу (аргон).
![]() | ![]() | ![]() |
| Основне виконання | Виконання 1 | Виконання 2 |
![]() |
| Dv (мм) | Dn (мм) | Вик. осн. Вик.-01 Н (мм) | Вик.-02 Н (мм) | Вик. осн. Маса (кг) | Вик.-01 Маса (кг) | Вик.-02 Маса (кг) |
| 100 | 160 | 250 | 250 | 1,49 | 1,34 | 1,42 |
| 110 | 180 | 250 | 250 | 1,75 | 1,54 | 1,63 |
| 115 | 180 | 250 | 250 | 1,73 | 1,52 | 1,61 |
| 120 | 180 | 250 | 250 | 1,70 | 1,51 | 1,60 |
| 125 | 200 | 333 | 333 | 2,58 | 2,17 | 2,27 |
| 130 | 200 | 333 | 333 | 2,60 | 2,19 | 2,29 |
| 135 | 200 | 333 | 333 | 2,56 | 2,15 | 2,26 |
| 140 | 200 | 333 | 333 | 2,51 | 2,12 | 2,22 |
| 150 | 220 | 333 | 333 | 2,91 | 2,42 | 2,54 |
| 160 | 220 | 333 | 333 | 2,81 | 2,35 | 2,46 |
| 180 | 250 | 400 | 400 | 4,05 | 3,28 | 3,41 |
| 200 | 260 | 400 | 400 | 4,05 | 3,29 | 3,42 |
| 220 | 280 | 400 | 400 | 4,42 | 3,57 | 3,71 |
| 230 | 300 | 400 | 400 | 5,01 | 4,02 | 4,17 |
| 250 | 320 | 400 | 400 | 5,41 | 4,32 | 4,48 |
| 300 | 360 | 400 | 500 | 6,29 | 4,99 | 5,17 |
| 350 | 420 | 500 | 500 | 9,19 | 7,20 | 7,40 |
| 400 | 460 | 500 | 600 | 9,68 | 7,57 | 7,79 |
| 450 | 520 | 500 | 600 | 11,79 | 9,17 | 9,42 |
| 500 | 560 | 600 | - | 14,38 | 11,14 | - |
| 550 | 620 | 600 | - | 17,14 | 13,24 | - |
| 600 | 660 | 800 | - | 22,64 | 17,42 | - |
| 650 | 720 | 800 | - | 28,61 | 21,95 | - |
| 700 | 760 | 800 | - | 28,75 | 22,06 | - |
| 750 | 820 | 900 | - | 37,03 | 28,35 | - |
| 800 | 860 | 900 | - | 36,88 | 28,24 | - |
| 900 | 960 | 1000 | - | 46,02 | 35,18 | - |
| 1000 | 1060 | 1000 | - | 51,49 | 39,35 | - |