Завантаження...

Дефлектор із оцинкованої сталі Україна

deflektor.jpg

Призначений для захисту димоходів та вентиляції від опадів, а також посилення тяги.

Для виробництва дефлектора використається високоякісна оцинкована сталь. При виготовленні комплектуючих деталей застосовується плазмове зварювання у середовищі інертного газу (аргон).

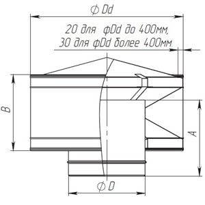
Параметри дефлектора
Значення параметрів D, Dd, А, В
D (мм)Dd (мм)А (мм)В (мм)Маса (кг)
1002002502001,21
1102202502001,35
1152302502001,42
1202402502001,49
1252502502001,57
1302602502001,64
1352702502001,71
1402802502001,79
1503002502001,94
1603202502002,10
1803602502002,42
2004002502002,75
2204402502003,10
2304602502003,28
2505002502504,06
3006003003005,87
3507004004008,88
40080050050012,47
45090050050015,57
500100050050017,72
550100050050018,27
600100050050018,82
650100050050019,37
700120050050023,36
750120050050023,91
800120050050024,46
900140050050029,33
1000140050050030,44
1340_logo1.png

Версія-люкс Україна

Системи вентиляції та димарі призначені для відведення димових газів, що утворюються в результаті роботи плит, печей, котлів та ін. Технологія, за якою виробляються димарі та системи вентиляції, залежить від умов їх експлуатації.Оскільки від характеристик матеріалів, що використовуються безпосередньо залежить ефективність і безпека роботи котлів, м...