Завантаження...
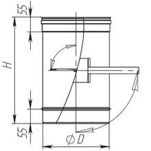
Застосовується як заслінка по ходу димових газів для обмеження тяги в димарі.
Для виробництва регулятора тяги використовується високоякісна оцинкована сталь. При виготовленні комплектуючих деталей застосовується плазмове зварювання у середовищі інертного газу (аргон).
![]() | ![]() | ![]() |
| Основне виконання | Виконання 1 | Виконання 2 |
![]() |
| D (мм) | Вик. осн., Вик.-01 Н (мм) | Вик.-02 Н (мм) | Вик. осн. Маса (кг) | Вик.-01 Маса (кг) | Вик.-02 Маса (кг) |
| 100 | 250 | 250 | 0,69 | 0,87 | 0,95 |
| 110 | 250 | 250 | 0,74 | 0,93 | 1,01 |
| 115 | 250 | 250 | 0,77 | 0,96 | 1,04 |
| 120 | 250 | 250 | 0,80 | 0,98 | 1,07 |
| 125 | 250 | 250 | 0,82 | 1,01 | 1,10 |
| 130 | 250 | 250 | 0,85 | 1,04 | 1,13 |
| 135 | 250 | 250 | 0,88 | 1,07 | 1,16 |
| 140 | 250 | 250 | 0,91 | 1,10 | 1,19 |
| 150 | 250 | 250 | 0,97 | 1,15 | 1,26 |
| 160 | 250 | 333 | 1,03 | 1,21 | 1,53 |
| 180 | 250 | 333 | 1,15 | 1,33 | 1,68 |
| 200 | 250 | 333 | 1,27 | 1,46 | 1,85 |
| 220 | 400 | 333 | 1,93 | 2,09 | 2,01 |
| 230 | 400 | 333 | 2,02 | 2,18 | 2,10 |
| 250 | 400 | 400 | 2,20 | 2,36 | 2,53 |
| 300 | 400 | 500 | 2,67 | 2,83 | 3,48 |
| 350 | 400 | 500 | 3,16 | 3,32 | 4,09 |
| 400 | 500 | 600 | 4,29 | 4,45 | 5,32 |
| 450 | 500 | 600 | 4,90 | 5,07 | 6,05 |
| 500 | 600 | 700 | 6,31 | 6,48 | 7,56 |
| 550 | 600 | 700 | 7,05 | 7,22 | 8,42 |
| 600 | 800 | - | 12,09 | 12,26 | - |
| 650 | 800 | - | 13,24 | 13,41 | - |
| 700 | 1000 | - | 17,26 | 17,44 | - |
| 750 | 1000 | - | 18,66 | 18,84 | - |
| 800 | 1000 | - | 20,10 | 20,27 | - |
| 900 | 1000 | - | 23,02 | 23,20 | - |
| 1000 | 1000 | - | 26,06 | 26,24 | - |