Завантаження...
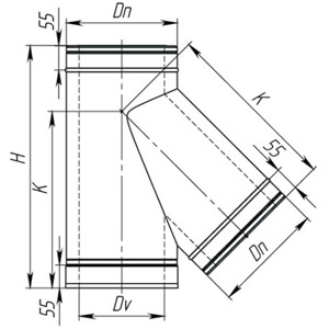
Застосовується для з'єднання вертикальної та похилої ліній димарів.
Для виробництва трійника використається високоякісна оцинкована сталь. При виготовленні комплектуючих деталей застосовується плазмове зварювання у середовищі інертного газу (аргон).
![]() |
| Dv (мм) | Dn (мм) | L (мм) | К (мм) | Н (мм) | Маса (кг) |
| 100 | 160 | 100 | 294 | 426 | 3,10 |
| 110 | 180 | 100 | 317 | 455 | 4,00 |
| 115 | 180 | 100 | 317 | 455 | 3,90 |
| 120 | 180 | 100 | 317 | 455 | 3,80 |
| 125 | 200 | 100 | 341 | 483 | 4,92 |
| 130 | 200 | 100 | 341 | 483 | 4,81 |
| 135 | 200 | 100 | 341 | 483 | 4,69 |
| 140 | 200 | 100 | 341 | 485 | 4,57 |
| 150 | 220 | 100 | 357 | 511 | 5,70 |
| 160 | 220 | 100 | 357 | 511 | 5,38 |
| 180 | 250 | 100 | 402 | 554 | 7,14 |
| 200 | 260 | 100 | 414 | 568 | 7,20 |
| 220 | 280 | 100 | 438 | 596 | 8,19 |
| 230 | 300 | 100 | 462 | 624 | 9,86 |
| 250 | 320 | 100 | 486 | 653 | 11,05 |
| 300 | 360 | 100 | 535 | 709 | 12,77 |
| 350 | 420 | 100 | 607 | 794 | 17,99 |
| 400 | 460 | 100 | 655 | 851 | 19,81 |
| 450 | 520 | 100 | 728 | 935 | 26,54 |
| 500 | 560 | 100 | 776 | 992 | 28,29 |
| 550 | 620 | 100 | 848 | 1077 | 36,69 |
| 600 | 660 | 120 | 917 | 1173 | 39,85 |
| 650 | 720 | 150 | 1019 | 1318 | 57,28 |
| 700 | 760 | 150 | 1067 | 1375 | 58,62 |
| 750 | 820 | 150 | 1140 | 1460 | 72,47 |
| 800 | 860 | 150 | 1188 | 1516 | 73,75 |
| 900 | 960 | 150 | 1309 | 1658 | 89,83 |
| 1000 | 1060 | 150 | 1430 | 1799 | 107,97 |