Завантаження...

Трійник 87° із теплоізоляцією з оцинкованої сталі Україна

troynik.jpg

Застосовується для з'єднання вертикальної та горизонтальної ліній димоходів.

Для виробництва трійника використається високоякісна оцинкована сталь. При виготовленні комплектуючих деталей застосовується плазмове зварювання у середовищі інертного газу (аргон).

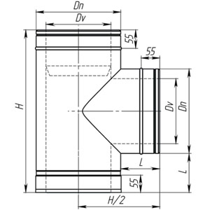
Параметри трійника 87°
Значення параметрів Dv, Dn, L, H
Dv (мм)Dn (мм)L (мм)Н (мм)Маса (кг)
10016086,53332,35
1101801104003,27
1151801104003,18
1201801104003,11
1252001004003,65
1302001004003,63
1352001004003,53
1402001004003,46
150220904004,00
160220904004,12
1802501255006,00
2002601205005,83
2202801105006,13
2303001005006,99
250320905007,82
3003601206009,69
3504209060012,27
40046012070014,08
4505209070017,40
50056012080019,85
55062012086024,97
60066012090028,24
650720140100035,72
700760120100035,75
750820140110044,32
800860120110046,16
900960170130057,38
10001060120130059,81
1340_logo1.png

Версія-люкс Україна

Системи вентиляції та димарі призначені для відведення димових газів, що утворюються в результаті роботи плит, печей, котлів та ін. Технологія, за якою виробляються димарі та системи вентиляції, залежить від умов їх експлуатації.Оскільки від характеристик матеріалів, що використовуються безпосередньо залежить ефективність і безпека роботи котлів, м...