Завантаження...

Закінчення димоходу з оцинкованої сталі Україна

okonchanie.jpg

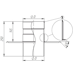
Застосовується при гільзовуванні цегляного димоходу для захисту від потрапляння опадів.

Для виробництва закінчення димоходу використовується високоякісна оцинкована сталь. При виготовленні комплектуючих деталей застосовується плазмове зварювання у середовищі інертного газу (аргон).

Параметри закінчення димоходу

 

Значення параметрів D, А
D (мм)А (мм)Маса (кг)
1003500,99
1103601,06
1153701,11
1203701,14
1253801,19
1303801,21
1353901,26
1403901,28
1504001,36
1604101,43
1804301,58
2004501,73
2204701,87
2305002,03
2505002,10
3005502,48
3505902,81
4006403,20
4506903,59
5007403,98
5507904,37
6008404,77
6508905,18
7009405,59
7509906,00
80010406,42
90011407,27
100012408,13
1340_logo1.png

Версія-люкс Україна

Системи вентиляції та димарі призначені для відведення димових газів, що утворюються в результаті роботи плит, печей, котлів та ін. Технологія, за якою виробляються димарі та системи вентиляції, залежить від умов їх експлуатації.Оскільки від характеристик матеріалів, що використовуються безпосередньо залежить ефективність і безпека роботи котлів, м...