Завантаження...
ККД котла Wichlacz GK-1 — 89%, на відміну від інших (близько 80%). Гарантія виробника надається на 2 роки. Загроза аварій протягом року залишається на рівні 0,5%.
Модель котлів GK-1 — мають ряд переваг і характеристик, що не мають аналогів в Україні:

Застосований принцип колосників, що омиваються — колосники виконані у вигляді товстостінних труб, в яких циркулює вода (котел максимально захищений від прогорання);Удосконалена система подачі повітря. Багатопотокова подача повітря в топку з перемиканням шарів спалювання палива дозволять правильно спалювати неякісне паливо. Точний напрямок руху повітря в камері забезпечують спеціальні отвори, форсунки.
Швидке розпалювання котла — котел обладнаний спеціальною ручкою подачі повітря у верхній шар, що дозволяє розтопити котел за 5 — 10 хвилин, навіть на вугіллі.
Чищення котла — котел обладнаний спеціальною ручкою подачі повітря в нижній шар, що дозволяє легко почистити котел (допалити паливо на дні котла, що недогоріло). Також ця ручка дозволяє використовувати котел у режимі простого котла із простим (нижнім) горінням палива.
Паливо для котла — для котла застосовують різні види твердого палива — торф, вугілля, вугільні відходи, пелети, тирсобрикеты, дрова, деревні матеріали, тверді побутові відходи, сміття тощо. Метод верхнього пошарового спалювання палива дозволяє працювати котлу практично на будь-якому паливі (смітті) з великою вологістю та зольністю.
![]() | |
| 1. Дверцята для завантаження палива; | 13. Дверцята зольної камери |
| 2. Система подачі повітря для розпалювання котла; | 14. Дверцята камери згоряння |
| 3. Дверцята очищення теплообмінника; | 15. Водоохолоджуваний корпус котла |
| 4. Патрубок приєднання групи безпеки котла; | 16. Утеплювач |
| 5. Вихід води з казана (подача); | 17. Коліно приєднання димоходу |
| 6. Труби теплообмінника (збільшують площу теплообміну); | 18. Патрубок під'єднання насоса |
| 7. Патрубок з'єднання з димарем; | 19. Патрубок з'єднання зливного крана |
| 8. Топка котла (великий обсяг дозволяє працювати від доби до трьох на одному завантаженні палива); | 20. Ручка верхньої повітряної заслінки (застосовується для розпалювання котла, відкриває подачу повітря на п.2) |
| 9. Багатофорсунчаста подача повітря в камеру згоряння (дозволяє стабільно працювати на низькоякісному паливі: вугілля з великою зольністю, дрова з великою вологістю тощо); | 21. Ручка середньої повітряної заслінки. (застосовується для роботи котла, що відкриває подачу повітря на п.9. 1-й шар.) |
| 10. Вхід води в котел (обратка); | 22. Ручка середньої повітряної заслінки (застосовується для роботи котла, що відкриває подачу повітря на п.9. 2-й шар, присутній на котлах більше 44 (кВт)) |
| 11. Система подачі повітря, додатковий допалювання палива та відходів; | 23. Ручка нижньої повітряної заслінки. (застосовується для чищення котла, відкриває подачу повітря на п.11) |
| 12. Колосники (труби неповні водою — працюють як додатковий теплообмінник); | |
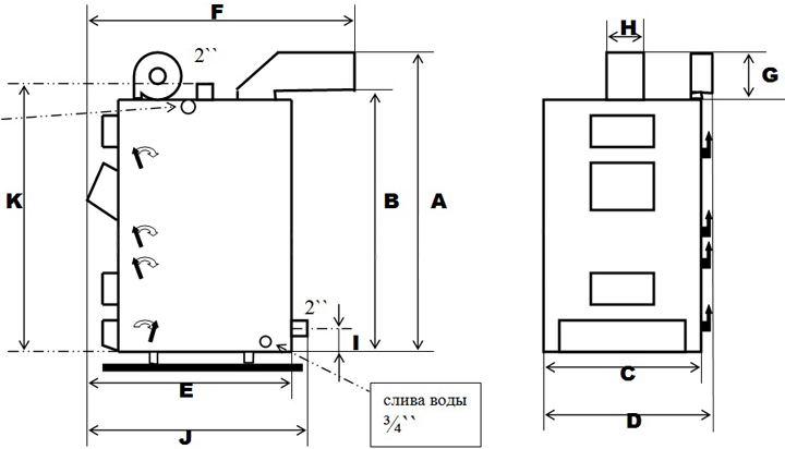
![]() | |||||||||
| Поверхня котла в (м2) | 1,5 | 2,0 | 2,6 | 3,0 | 3,5 | 4,0 | 4,5 | 5,0 | 6,2 |
| Сила (kW) | 10 | 13 | 17 | 25 | 31 | 38 | 44 | 50 | 65 |
| A Висота, (см) | 135 | 140 | 145 | 145 | 145 | 155 | 185 | 185 | 190 |
| B, (см) | 115 | 120 | 125 | 125 | 125 | 135 | 165 | 165 | 165 |
| C, (см) | 51 | 51 | 53 | 53 | 58 | 61 | 68 | 68 | 72 |
| D Ширина, (см) | 56 | 56 | 58 | 58 | 60 | 63 | 75 | 75 | 79 |
| E, (см) | 63 | 76 | 80 | 88 | 90 | 100 | 81 | 91 | 101 |
| F Довжина, (см) | 83 | 96 | 100 | 108 | 110 | 120 | 101 | 111 | 121 |
| G Висота к.д., (см) | 25 | 25 | 25 | 25 | 25 | 25 | 25 | 25 | 30 |
| H Ширина к.д., (см) | 15 | 20 | 20 | 20 | 20 | 20 | 20 | 23 | 23 |
| I, (см) | 8 | 8 | 8 | 8 | 8 | 8 | 8 | 8 | 8 |
| J, (см) | 70 | 83 | 87 | 95 | 97 | 107 | 88 | 98 | 108 |
| K, (см) | 115 | 120 | 125 | 125 | 125 | 135 | 165 | 165 | 165 |
| Подача — обратка | 2`` | ||||||||
| Кількість води в котлі у літрах | 70 | 100 | 120 | 135 | 150 | 170 | 150 | 170 | 190 |
| Маса котла без води, (кг) | 220 | 280 | 340 | 390 | 420 | 480 | 520 | 600 | 720 |
| Мощность, (кВт) | 10 | 13 | 17 | 25 | 31 | 38 | 44 | 50 | 65 |
| Ширина корпусу котла, (см) | 54 | 54 | 54 | 54 | 64 | 64 | 63 | 67 | 70 |
| Висота корпусу котла, (см) | 118 | 118 | 118 | 134 | 139 | 139 | 140 | 161 | 160 |
| Довжина корпусу котла, (см) | 71 | 71 | 71 | 70 | 81 | 81 | 82 | 82 | 90 |
| Ширина казана у зібраному вигляді, (см) | 58 | 58 | 58 | 58 | 65 | 69 | 66 | 74 | 77 |
| Довжина котла + димар, (см) | 60 (+20) | 119 | 119 | 123 | 85+20 | 101+34 | 82+29 | 134 | 110+35 |
| Висота котла + вентилятор, (см) | 140 | 140 | 140 | 140 | 139+20 | 139+20 | 140+50 | 172 | 160+11 |
| З'єднання (подача, обратка), (мм) | DN 50 | DN 50 | DN 50 | DN 50 | DN 50 | DN 50 | DN 50 | DN 65 | DN 65 |
| Вага котла, (кг) | 220 (260) | 280 (320) | 280 | 250 | 420 | 430 | 400 | 550 | 600 |
| Відстань від підлоги до завантаж. камери, (см) | 67 | 67 | 67 | - | 78 | 78 | 75 | - | 72 |
| Розмір завантаж. вікна, (см) | 22х35 | 22х33 | 19,5х26 | 22х26 | 42х22 | 30х25 | 26х22 | 35х24 | 35х27 |
| Виступ завантаж.люка перед котлом, (см) | 35 | 35 | 35 | - | 33 | 33 | - | - | 41 |
| Об'єм завантаж. камери, (м3) | 0,05 | 0,06 | 0,07 | 0,07 | 0,10 | 0,12 | 0,12 | 0,13 | 0,175 |
| Розмір основного вікна очищення, (см) | 35х16 | 35х16 | 26х16 | 26х16 | 39х14 | 30х14 | - | 35х45 | 35х15 |
| Виступ кришки очищення (відкритий), (см) | 12 | 12 | 12 | - | 34 | 34 | - | 40 | 41 |
| Розмір димоходу (вихід із котла), (см) | 19х19 | 20х20 | 15х19 | 15х19 | 19,7х20,7 | 19,7х17,7 | 18х20 | 18х20 | 18х20 |
| Висота димової труби, (м) | 4,5 (min) | 4,5 (min) | 4,5 (min) | 5 (min) | 5,5 (min) | 5,5 (min) | 5,5 (min) | 6 (min) | 6,5 (min) |
| Сила тяги, (мм/Н2О) | 1,5-3,0 | 1,5-3,0 | 1,5-3,0 | 1,5-3,0 | 1,5-3,0 | 1,5-3,0 | 2,0-3,5 | 2,0-2,5 | 2,0-3,5 |
| Електроустаткування, (Вольт/Ват) | 220/80 | 220/80 | 220/80 | 220/80 | 220/80 | 220/80 | 220/80 | 220/105 | 220/105 |
| Під'єднання групи безпеки, (мм) | DN 32 | DN 32 | DN 32 | DN 32 | DN 32 | DN 32 | DN 32 | DN 32 | DN 32 |
| Злив води з казана, (мм) | DN 32 | DN 32 | DN 32 | DN 32 | DN 32 | DN 32 | DN 32 | DN 32 | DN 32 |
| Температура води (max) | 90° | 90° | 90° | 90° | 90° | 90° | 90° | 90° | 90° |
| Робочий тиск (max), (атм.) | 3 | 3 | 3 | 3 | 3 | 3 | 3 | 3 | 6 |